| 注意:访问本站需要Cookie和JavaScript支持!请设置您的浏览器! • 打开购物车 • 查看留言 • 付款方式 • 联系我们 |
![]() |
| 首页 | 电子入门 | 学单片机 | 免费资源 | 下载中心 | 商品列表 | 象棋在线 | 在线绘图 | 加盟五一 | 加入收藏 | 设为首页 |
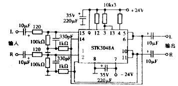
| 选择分类:当前分类——音响功放 相关联或者相类似的文章: 简易音频集成功率放大器(1423) ++ 30W功率放大器的制作 +(933) C语言在单片机开发中的应用 (741) 巧用STK3048A制作前置放大(718) 音响发烧“土炮”的自画像(搞笑)(494) 18W D类单片音频放大器TDA7481(326) 自制2.1声道多媒体音响系统(262) 100W纯直流高保真功放(196) Hi-Fi配音控制放大器制作(176) 双50W数字功放TDA8902J(146) LM386功放集成电路的应用(127) 国外汽车音响的新技术(44) TDA2030A装的18W单声道功放板(-8) 图示均衡器的使用技巧(-14) Hi-Fi功放设计要点(-34) 用TDA7294推动的功放(-72) LM1875带音调双22W功放板(-120) 首页 前页 后页 尾页 本站推荐: | 巧用STK3048A制作前置放大 一般运放集成有工作电压低,输出小的缺点,而下面介绍一款可与AD827AQ媒美的前置放大。该线路工作电压高、输出大、制作简单,无须作任何调整,可与功放共用一组电源。 制作十分简单只有十多个元件,有条件可选用WIMA、ELNA电容、进口金属膜五色环电阻,而IC用进口拆机件,购不到可以用普通品代替,效果也不错。然后把制好的的线路板装进功放,步步高AB115VCD,澳威格功放,自制土炮音箱。开机一试焕燃一新,没想到效果有这么好,几乎在笔者想象之外。高音变得通透、细腻,偏硬低音变得富有弹性,听起来十分舒畅。如果感兴趣,不妨试一试. 1、 本站不保证以上观点正确,就算是本站原创作品,本站也不保证内容正确。 2、如果您拥有本文版权,并且不想在本站转载,请书面通知本站立即删除并且向您公开道歉! |
|
本站协议 |
版权信息 |
关于我们 |
本站地图 |
营业执照 |
发票说明 |
付款方式 |
联系方式
深圳市宝安区西乡五壹电子商行——粤ICP备16073394号-1;地址:深圳西乡河西四坊183号;邮编:518102 E-mail:51dz$163.com($改为@);Tel:(0755)27947428 工作时间:9:30-12:00和13:30-17:30和18:30-20:30,无人接听时可以再打手机13537585389 |